구축 아파트에는 각 방에 랜선포트를 사용하기 어렵다. 전화 콘센트라도 있는 경우는 시대의 유물이 되어가는 유선전화의 통신관로를 사용하여 랜선공사를 하기도 하지만, 전원콘센트 외에 아무것도 없는 방의 경우는 무선인터넷 외에는 다른 방도가 없다.
그래서 일전의 전력선을 이용한 인터넷 공유를 가능케해주는 PLC 모뎀을 사용해본적이 있다.
https://mrtroll.tistory.com/685
콘센트 전원을 이용한 인터넷 전력선 모뎀 PLC 모뎀 사용기
1. 배경 우리집은 구축아파트이다. 그래서 통신단자함은 온데간데(?)없고 집 외부에 전화단자함만이 존재한다. 통상은 인터넷 업체들에서 전화단자함의 선로를 이용해서 광랜서비스를 제공하지
mrtroll.tistory.com
전력선 모뎀만으로도 사실 충분히 유의미한 결과를 보여준 것은 사실이며 일반적으로 사용에는 문제가 없다. 하지만 모뎀이 계속 전원을 먹는점과 평균적인 지연속도(ping)가 무선랜정도 수준이고, 그마저도 평균일 뿐 실제로는 그보다 더 들쭉날쭉한 부분이 있는 것은 사실.
그럼 이 상황을 어떻게 타개할 것이냐..?
위에 썼던 포스팅에서 할지도 모른다고 했던 전원선의 관로에 utp를 심어보는 미친짓을 시도해보려고 한다.
(하하하하하하하하하하하하하)
작업 계획은 아래와 같다.
1. 관로 탐색 : 원하는대로 거실까지 포설할 수 있는지 확인
2. utp 포설 : 탐색된 관로를 이용하여 utp 케이블을 포설한다.
3. 마감 : 깔끔한 마무리를 위한 작업
1. 관로 탐색
전원콘센트(전열)가 두꺼비집으로 잘 이어지는지, 어떻게 이어졌는지 관로에 utp를 심을정도의 공간은 있는지 확인이 필요하다. 그래서 1선 요비선을 하나 사서 마구 쑤셔보기로 했다. 일단 두꺼비집은 과거에 한 번 확인한 적이 있었다. 1개의 메인 차단기와 4개의 분기차단기로 나누어져있었다.
분기차단기 4종은 각각 조명, 집의 왼쪽, 집의 오른쪽, 에어콘 이렇게 총 4개만 담당한다. 현대의 고부하 전자기기들이 에어콘을 제외하면 전부 부엌쪽에 있는걸 생각하면 좀 아쉬운 부분이지만 과거에는 이게 답이었던 것.
내가 랜선을 포설하고자 하는 방은 부엌으로 가는 집의 오른쪽 차단기이고, 집 전주인이 분기차단기를 30A로 높여놨기 때문에 쉽게 찾을수가 있다. 자 그럼 이제 이 라인이 어느 콘텐트로 먼저 들어가는지가 궁금한 부분.



집의 도면을 생각했을 때 가장 높은 확률일 것이라는 콘센트를 뜯어보니 속에 관로 3개가 보였다. 제대로 짚은 것으로 추정. 위치상 왼쪽은 관로는 해당 방의 다른 콘센트로 가는 관로, 중앙관로는 두꺼비집에서 온 관로, 오른쪽 관로는 부엌쪽으로 계속 이어지는 관로로 추정하고 가운데 관로에 마구 쑤셔 넣어보았다.
그랬더니 짜잔. 두꺼비집으로 요비선이 뿅- 하고 올라왔다.
사진은 결국 성공하고 찍었으니까 쑤시면 나오는구나! 하고 생각할지도 모르지만, 기존 전열용 선이 워낙 강한데다, 입구부분에 턱이 있어서 나오게 하는게 생각보다 쉽지가 않았다. 결국 여차저차 이래저래 해서 나오기 성공!
근데 나에게는 포설할 UTP 선이 현재 없다. (하하하하하하하)
즉 관로는 확인했지만 지금 당장 심을 수 없다는 뜻. (어떻게 통과시킨 요비선인데!!!!!!! ㅠㅠ)
이대로 둘 수는 없으니, 집에 있던 여분의 2.5sq 선을 일단 매설시켜놓고, 해당 선을 요비선 삼아 utp와 연결하여 땡겨내기로 생각하고 오늘은 철수하는 걸로.



2.5sq 전선과 요비선을 묶으면서 두꺼워진 부분이 관로 통과에 영향을 줄까봐 걱정했지만 생각보다 쉽게 나왔다.
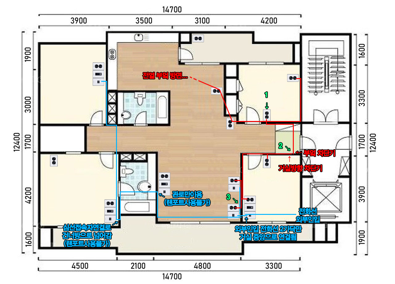
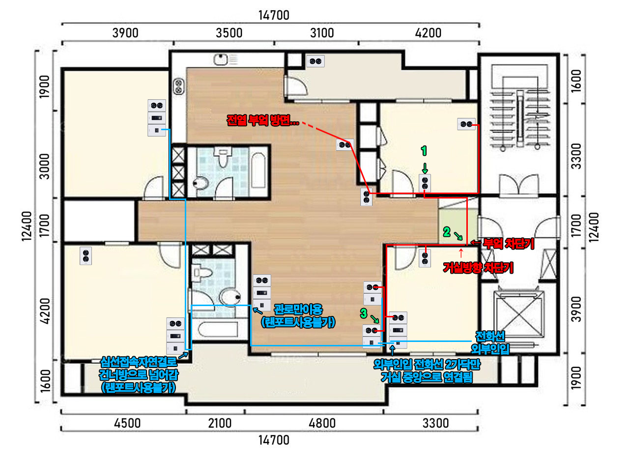
이제 랜선이 필요한 방에서 두꺼비집까지 가는 라인은 확인했고, 이제 두꺼비집의 다른 전열 관로로 거실쪽으로 이동하는 관로 파악이 필요했다. 이쪽은 생각보다 수월하고 간단했다. 몇번 쑤셔보니까 금방 건너방의 콘센트로 연결이 되었다.
그래서 최종적으로 파악된 관로는 다음과 같다.

사진상 1번에서 2번 두꺼비집으로 넘기고, 2번에서 다시 3번쪽으로 넘어가게끔 하는게 계획이다. 이제 UTP를 사도 되겠는걸!?
보니까 UTP 판매단위는 최소 100m다. 지인등에 부탁해서 일부만 좀 더 살 수도 있겠지만 일단 신품을 구매한다는 차원에서는 100m가 최소단위라는것. 지금 포설에 필요한 라인은 대충 15미터면 충분한 거리인데 너무 많이 남는거다. 그래서 전화선이나 유선케이블 라인을 이용해서 각 방에도 포설을 해볼까? 하는 음흉한 생각을 추가로 하게되었다.
그래서 이게 가능할까 하고 거실의 CATV 라인을 한군데를 열어보았는데..

케이블TV용 콘센트를 열었는데 UTP가 3가닥이 나와버렸다. 이 혼란한 상황은 뭐지!!!!!!!!!
결국 온방의 전화/케이블 티비 콘센트를 열어서 확인해보았다.






그리고 혼란한 상황의 결론은 다음과 같다.
1. 거실의 CATV 콘센트는 사실 과거 전화선이었다.
2. 이전 인테리어업자일지 통신사 직원일지 모르겠으나 전화선라인을 이용해서 UTP를 이미 포설했다.
3. 하지만 관로의 크기등의 문제로 일부 방에만 UTP를 사용할 준비(?)만 되어있었고 일부는 관로 이용을 위해 그냥 넘어가기만 했다.
결론적으로 내가 필요하다고 생각하는 애들방은 모두 UTP를 사용할 준비가 완료되어있는 상황이고, 연결만 하면 되는 상황이다.
반대편끝에서는 실제 공유기등과 연결할 키스톤이라고 해야할지 랜포트만 준비를 하면 되는 상황. 즉 손안대고 코풀수 있는 상황이라는거다.
자 이제 그럼 다음 스텝을 준비하기 위해 다음의 준비물을 준비해서 다음 작업으로 넘어가면 된다!
1. 랜툴 (RJ45)
2. RJ45 커넥터 등
3. UTP 100미터
4. 마감을 위한 랜포트용 콘센트(?)등 여러가지
5. 기타 등등
to be continue......
https://mrtroll.tistory.com/689
콘센트만 있는 방에 랜선 포설 ep.2
지난 이야기 https://mrtroll.tistory.com/687 콘센트만 있는 방에 랜선 포설 ep.1 구축 아파트에는 각 방에 랜선포트를 사용하기 어렵다. 전화 콘센트라도 있는 경우는 시대의 유물이 되어가는 유선전화
mrtroll.tistory.com
'ETCs' 카테고리의 다른 글
| 시즌드 키친 2회차 방문 (0) | 2024.04.11 |
|---|---|
| 베트남 푸꾸옥 9명 4박 6일 일정 및 비용, 환전 등 정리 및 사진 일부 (0) | 2024.04.04 |
| 씨쉘스 푸꾸옥 호텔 & 스파 간단 투숙기 Seashells Phu Quoc Hotel & Spa (0) | 2024.04.03 |
| 밤리단길 시즌드 키친 (0) | 2024.02.29 |
| 싱가포르 유니버셜 스튜디오 생일 기념품 (2024년 2월) (2) | 2024.02.19 |
| 출산율 감소의 원인은 부동산보다는 소득세라는 고찰 (0) | 2024.02.05 |
| 긱블 무한동력(?) 구슬멍 키트 조립, 세팅, 완성기 (0) | 2024.01.26 |